English

PBX: (601) 2504560 Bogotá, Colombia

LogoPSA

Conjunto de ruedas estandarizadas para cargas de hasta 60 t

Nuestro conjunto de ruedas DWS asume las funciones de transporte sobre carriles incluso en rangos de cargas elevadas. Con este conjunto creamos unidades de traslación completas en versiones traccionadas y sin traccionar. Para ello, empleamos nuestros motorreductores planos o angulares del sistema modular de accionamientos.

El uso de estos componentes de la serie DWS ofrece una gran seguridad en el funcionamiento y garantiza facilidad en los cambios de ruedas. Por su aprovechamiento universal, el juego de ruedas DWS se utiliza no sólo en el ámbito de las grúas y del transporte, sino también en la construcción de maquinaria.

• Montaje del conjunto de ruedas en perfiles huecos, vigas cajón y como mecanismos de traslación para montajes en escuadra.

• Con montajes en escuadra: Fácil montaje del conjunto

• Configuración completa con antimomento

• Encontrará planos CAD en distintos formatos para ayudarle en su diseño en www.demag-drivedesigner.com

Conozca más detalles de la Rueda DWS

Gruas

Las ventajas a simple vista

Sencilla compensación del ancho de vía gracias a arandelas distanciadoras intercambiables entre los rodamientos y las arandelas de fijación

Montaje del conjunto de ruedas en perfiles huecos, vigas cajón y como mecanismos de traslación para montajes en escuadra

Petroleos

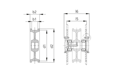
DWS en perfil hueco

Conjunto de ruedas DWS: en perfil hueco / como mecanismo de traslación para montajes en escuadra

Rápido montaje y desmontaje de la rueda con herramientas convencionales para desalojarla del mecanismo de traslación

DWS y motorreductor angular

Conjunto de ruedas DWS y motorreductor angular (conexión con soporte del par).

Ajuste perfecto con los motorreductores planos o angulares Demag con el correspondiente antimomento.

Gama de Ruedas